Zum Hauptinhalt springen Zur Suche springen Zur Hauptnavigation springen

PE HSP EINZEL-STECKMUFFE DN 110 SDR 26 INKL.DICHT.

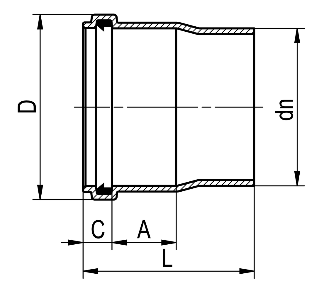
Produktinformationen "PE HSP EINZEL-STECKMUFFE DN 110 SDR 26 INKL.DICHT."

A mm: 84
Artikel-Bezeichnung: PE HSP EINZELMUFFE SDR26 DN110
Artikelnummer: 131.317.030
Aus Initial ERP Import: Ja
C mm: 24
D mm: 138.2
EAN: 7630021620128
Erweiterte Bezeichnung 1: PE HSP EINZEL-STECKMUFFE
Erweiterte Bezeichnung 2: DN 110 SDR 26 INKL.DICHT.
Gewicht Kg: 0.303
Lagereinheit: Stück
L mm: 158.0
Norm / Zulassung: EN 12666 / R 592012 / Qplus 11004 / SKZ-Ü
Palette Stk.: 300
Teileart: Gefertigtes Teil
Verfügbarkeit: Lagerbestand
Verpackung 1: 75
Zusatztext 1: Für Rohre von SN 2 - SN 8
Zusatztext 2: PE100
dn mm: 110
CAD Download Link: https://streng-shop-test.q-digital.dev/media/bd/c0/4d/1721399240/131.317.030_CADFiles.zip?ts=1763018750
Preis Stk.: 6.0

0 von 0 Bewertungen

Durchschnittliche Bewertung von 0 von 5 Sternen

Bewerten Sie dieses Produkt!

Teilen Sie Ihre Erfahrungen mit anderen Kunden.